
6FC9320-5DB01
SINUMERIK 附件 电子手轮 前面板 120x 120mm 工作电压:5V DC 信号电平:RS-422(TTL)
产品详情
概述
通过电子手轮,可以手动移动轴。可以对通过数控系统选择轴定位以使各个轴平行。
便携式电子手轮适合直接在机床上使用。

优势
轴的定位
紧固和紧凑外壳型号
设计
手轮由用户安装 – 带或不带前面板(前面板可拆卸)
带外壳的便携式手轮:
通过螺旋电缆进行连接
使用集成式磁性夹或固定器(附件)进行安装
功能
电子手轮具有磁性闭锁装置,可执行增量精确进给。手轮可产生 5 V DC TTL 信号。带有 24 V DC 和 HTL 接口的型号用于连接 I/O 模块。
集成
电子手轮可用于:
SINUMERIK 808D ADVANCED
SINUMERIK 828D
SINUMERIK 840D sl
SINUMERIK MC
技术规范
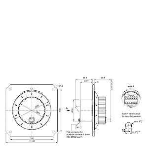
尺寸图

不带前面板的电子手轮,不带设定轮

带有 76.2 mm × 76.2 mm 前面板 (3 in × 3 in) 的电子手轮

带有 120 mm × 120 mm 前面板 (4.72 in × 4.72 in) 的电子手轮










