
6SL3420-2TE11-7AA1
6SL3420-2TE11-7AA1(UPC: 887621117832)MOMO.COMP.400V2X1,7A 6SL3420-2TE11-7AA1
SINAMICS S120 双电机模块 输入:600V DC 输出:400V 三相交流,1.7A/1.7A 紧凑书本型 内部风冷 优化的脉冲图形和 支持优质 安全功能 包括 DRIVE-CLiQ 电缆
设计
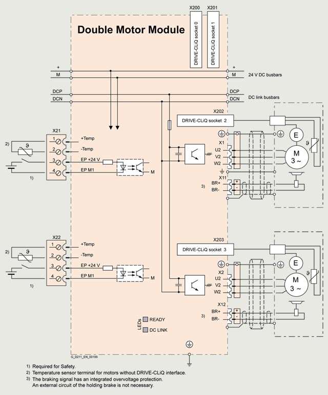
书本型变频调速柜中的双轴电机模块
紧凑书本型变频调速柜中的单轴电机模块标配有以下接口:
2 个直流链路接口,通过集成直流链路母排连接
2 个电子装置电源接口,通过集成 24 V DC 母排连接
4 个 DRIVE-CLiQ 插座
2 电机连接,通过连接器
2 点安全停机输入(每轴一点输入)
2 个安全电机制动控制器
2 点温度传感器输入(KTY84130 或 PTC)
3 个PE(保护性接地)接口
电机模块的状态通过两个多色 LED 来显示。
电机屏蔽电缆通过连接至电机连接的连接器进行敷设。
信号电缆屏蔽线可以借助屏蔽接线端子连接在电机模块上,例如 Weidmüller 公司的 KLBÜSC型号。
电机模块的供应范围包括:
DRIVE-CLiQ 电缆,用于连接到相邻的电机模块,长度为 0.16 m
2 个盲插头,用于密封未使用的 DRIVE-CLiQ 插座
跳线,用于连接 24VDC 母排和相邻的电机模块
连接器 X21 和 X22
连接器(X1,X2),用于电机连接
1 套 30 种语言的警示版
1 个导热片

集成
双电机模块通过 DRIVE-CLiQ 从以下设备中接收控制信息:
控制单元 CU320‑2
SINUMERIK 840D sl,带有
NCU 710.3B PN
NCU 720.3B PN
NCU 730.3B PN
数控扩展单元 NX10.3/NX15.3
SIMOTION D

2 × 3 A 到 2 × 18 A 书本型双电机模块的连接示例

技术规范
| 书本型变频调速柜中的双轴电机模块 6SL3420-2TE1... |
|---|---|
直流链路电压 (至海拔高度 2000 (6562 ft) 米) | 510 ... 720 V DC |
输出频率 | |
| 0 ... 650 Hz 1) 2) |
| 0 ... 300 Hz 1) |
| 0 ... 600 Hz 1) 2) |
电子装置电源 | 24 V DC -15 %/+20 % |
冷却方式 | 内部空气冷却,电源装置通过内置风扇提高空气冷却程度 |
容许的环境和冷却剂温度(空气) 电源侧部件、电源模块和电机模块运行过程中时 | 0 … 40 °C (32 … 104 °F) 无降额, |
安装海拔高度 | 最高海拔 1000 m (3281 ft),无降额; |
一致性声明 | CE(低压和 EMC directive 规程) |
许可证书 | cURus |
安全集成功能 | 符合 IEC 61508 的安全完整性等级 2 (SIL 2)、符合 ISO 13849-1 的性能级别 d (PL d) 以及符合 ISO 13849-1 或 EN 954-1 的控制类别 3 详细信息,请参见“故障安全集成”一节。 |
1) 注意最大输出频率、脉冲频率和电流降额间的关系。有关更多信息,请参阅配置注意事项。
2) 输出频率目前限制为 550 Hz。规定的值适用于具有高输出频率许可证的系统。
直流链路电压 510 ... 720 V DC | 书本型变频调速柜中的双轴电机模块 | |||
|---|---|---|---|---|
内部空气冷却 | 6SL3420-2TE11-7AA1 | 6SL3420-2TE13-0AA1 | 6SL3420-2TE15-0AA1 | |
输出电流 | ||||
| A | 2 × 1.7 | 2 × 3 | 2 × 5 |
| A | 2 × 2 | 2 × 3.5 | 2 × 6 |
| A | 2 × 1.5 | 2 × 2.6 | 2 × 4.3 |
| A | 2 × 5.1 | 2 × 9 | 2 × 15 |
类型1) | ||||
| kW (hp) | 2 × 0.9 (0.75) | 2 × 1.6 (1.5) | 2 × 2.7 (3) |
| kW (hp) | 2 × 0.8 (0.5) | 2 × 1.4 (1) | 2 × 2.3 (2.5) |
额定脉冲频率 | kHz | 8 | 8 | 8 |
DC 直接回路电流 Id2) | A | 4.1 | 7.2 | 12 |
载流能力 | ||||
| A | 100 | 100 | 100 |
| A | 20 | 20 | 20 |
直流回路电容 | μF | 165 | 165 | 165 |
电流需要量 24 V DC,最大 | A | 1 | 1 | 1 |
功率损耗 4) | kW | 0.11 | 0.13 | 0.19 |
冷却
微信客服-在线咨询
扫一扫添加微信,详细了解产品业务。
X
| ||||










