
6SL3130-1TE22-0AA0
6SL3130-1TE22-0AA0(UPC: 662643433166)BLMO.INT400V 20KW 6SL3130-1TE22-0AA0 SIN
SINAMICS S120 基础电源模块 输入:3AC 380-480V,50/60Hz 输出:600V DC,34A,20kW 结构形式:书本尺寸 内部风冷 包含 DRIVE-CLiQ 电缆
概述
书本型变频调速柜中的基本型电源模块
基本电源模块可用于没有能量返回到电源或电机轴和发电机轴之间的能量交换在直流链路中进行的场合。基本型电源模块仅能将能量从电源系统反馈至直流链路,而不能反馈至电源系统。直流回路电压通过 6 脉冲桥式电路直接源自 3 相电网电压。基本整流装置既可在接地系统(星形接法 TN/TT),也可在未接地对称系统(IT)上直接运行。所连接的电机模块通过集成预充电电阻器(20 kW 和 40 kW)或通过激活晶闸管(100 kW)进行预先充电。
(仅 20 kW 和 40 kW 基本型电源模块配有集成制动断路器)。通过增加外部制动电阻,它们可用于间歇再生操作过程的应用,如停止。制动模块要求一个 100 kW 的基本电源模块以及用于再生操作的外部制动电阻。


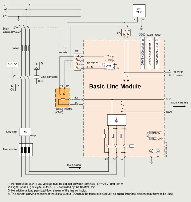
设计
书本型变频调速柜中的基本型电源模块标配有以下接口:
1 个电源接口
1 个 24 V DC 电子装置电源接口
1 直流链路接口
3 个 DRIVE-CLiQ 插座
1 个用于连接制动电阻器的接头
(仅限于 20 kW 和 40 kW 基本整流柜)1 点温度传感器输入(KTY84‑130 或 PTC/Pt100)
基本电源模块的状态通过两个多色 LED 来显示。
基本电源模块的供应范围包括:
DRIVE-CLiQ 电缆,用于驱动控制左侧相邻的控制单元连接,长度为 0.11 m (4.33 in)
连接到相邻逆变柜的 DRIVE CliQ(长度取决于基本整流柜宽度),长度 = 基本整流柜宽度 + 0.11 m (4.33 in)
跳线,用于连接 24VDC 母排和相邻的电机模块
24 V 终端适配器 (X24)
连接器 X21
2 个盲插头,用于密封未使用的 DRIVE-CLiQ 插座
30 种语言的 1 组警告标签

集成
基本整流装置通过 DRIVE-CLIQ 来实现和 CU3202、SIMOTION D4x5-2 控制单元或 CX32-2 扩展控制器的通信。

书本型变频调速柜中 20 kW 和 40 kW 基本型电源模块的连接示例
注: 内置在制动电阻的恒温式开关必须连接至驱动装置的关闭链路中,以防止系统故障时的热过载。如果没有连接制动电阻,X21.1 和 X21.2 间必须跳线连接。

书本型变频调速柜中 100 kW 基本型电源模块的连接示例

技术规范
| 书本型变频调速柜中的基本型电源模块 6SL313... |
|---|---|
线路电压 (至海拔高度 2000 (6562 ft) 米) | 380 V 至 480 V 3 AC,±10% (-15 % < 1 min) |
电源频率 | 47 ... 63 Hz |
SCCR(短路电流额定值) | 在与建议使用的 J 级熔断器或符合 UL489 / CSA 22.2 编号 5-02 标准的断路器组合时,65 kA 参见建议的电源侧组件 |
输入功率因数 额定功率 | |
| >0.96 |
| 0.75 ... 0.93 |
过电压类别 符合标准 EN 60664‑1 | III 类 |
直流链路电压,约 | 1.35 x 进线电压1) |
电子装置电源 | 24 V DC -15 %/+20 % |
无线电干扰抑制 | |
| |
| 没有无线电干扰抑制 |
| EN 61800-3 的类别 C3 |
| EN 61800-3 的类别 C2 |
冷却方式 | 内部空气冷却,电源装置通过内置风扇提高空气冷却程度 |
容许的环境和冷却剂温度(空气) 电源侧部件、电源模块和电机模块运行过程中时 | 0 … 40 °C (32 … 104 °F) 无降额, |
安装海拔高度 | 最高海拔 1000 m (3281 ft),无降额; |
一致性声明 | CE(低压和 EMC directive 规程) |
许可证书 | cULus |
1) 直流链路电压为非可调,并与负载有关。有关更多信息,请参阅配置注意事项
电源电压 380 ... 480 V 3 AC | 书本型变频调速柜中的基本型电源模块 | |||
|---|---|---|---|---|
内部空气冷却 |
| 6SL3130-1TE22-0AA0 | 6SL3130-1TE24-0AA0 | 6SL3130-1TE31-0AA0 |
功耗 | ||||
| ||||
| kW | 20 | 40 | 100 |
| (hp) | (25) | (50) | (125) |
| kW | 26 | 52 | 130 |
| kW | 60 | 120 | 175 |
制动功率 带外部制动电阻 | ||||
| kW | 40 | 80 | – |
| kW | 5 | 10 | – |
直流链路电流 | ||||
| A | 33.5 | 67 | 167 |
| A | 43 | 87 | 217 |
| A | 100 | 200 | 292 |
|
微信客服-在线咨询
扫一扫添加微信,详细了解产品业务。
X
| ||||











